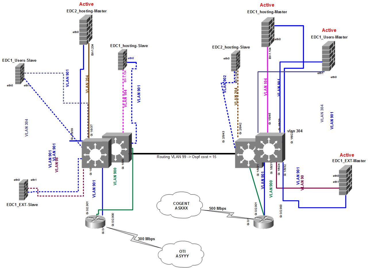
Ce client, grande entreprise de communication, a mandaté les consultants d'X.N.I Networks pour l'aider à architecturer et implémenter le changement de peering vers différents opérateurs sur son réseau multi-sites mondial.
Matériels : routeurs Cisco, triple peering OBS, Cogent et Verizon.
L'objectif étant de changer d'opérateurs pour le peering BGP du client. La difficulté étant de rendre la migration transparente vis-à-vis de la table de routage mondiale (OSPF multi-aires en LAN et routing ip statique) avec injection de communautés BGP, filtrage des routes par inbound et outbound BGP policies.
